안녕하세요.
이번에 솔레노이드 장비에 대해서 알아보려고 합니다. 샴푸나 소독액 버튼을 눌러주는 것으로 사용하려고 했는데 이번 제품은 눌러주는 힘이 약해서 사용하지 못했습니다.
용도에 따라서 힘이 센 솔레노이드를 선택하셔야 합니다.
1. 솔레노이드 원리
솔레노이드(프랑스어: solénoïde)는 도선을 촘촘하게 원통형으로 말아 만든 기구이다. 솔레노이드는 솔레노이드에 전기를 흘려 자기장을 만들 수 있어 전자석으로 주로 이용된다. 솔레노이드는 유도자(인덕터)의 종류 중 하나로서, 교류를 이용하는 전자회로에 아주 유용하게 쓰인다. 솔레노이드 단독으로도 자기장을 만들지만 자성이 센 강자성체를 넣으면 자화가 일어나면서 자기장이 더 강해지는 효과가 일어납니다.
위와 같은 원리를 이용해서 전기 에너지를 자기 에너지로 변환시키고 이것을 다시 기계적인 에너지인 선형적인 운동 에너지로 변환하는 것입니다.

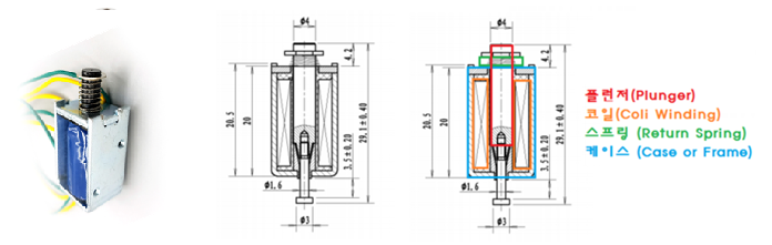
<내부구조>
전류를 흘려 자기장이 만들어져 플런저가 밀어내는 내는 작업을 일어났다면, 전원을 끊어주면 스프링에 의해 빠르게 원래 위치로 돌아오게 됩니다.

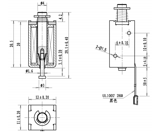
2. 솔레노이드(Solenoid) DS-0630S 스펙
- 작동 전압 : DC6V~DC24V
- 소비전류 : 660mA (12V 기준)
- 소비전력 : 8W (12V 기준)
- 흡력 : 300g
- 크기 : 16 mm×19 mm×30mm(전체 길이 46mm)
- 스트로크 : 8mm
- 커넥터 : 2-pin JST PH

*참고사항*
- 해당 제품은 전류가 크기 때문에 장시간 사용이 어렵습니다.
- 전류를 많이 소모하므로 1초 작업 3초 지연시간을 가지는 것을 추천하는 듯합니다.
3. 연결하기
- 전류를 많이 사용하기 때문에 아두이노 자체 핀으로 동작시킬 수 없습니다. 그래서 외부 전원과 릴레이 혹은 FET가 필요합니다. 이번에는 기존에 구매했던 IRET520 MOSFET을 사용해 보겠습니다.
- 솔레노이드에는 극성이 없으므로 안심하고 연결하시면 됩니다.
- 5V에서는 솔레노이드가 움직임을 보이지 않았고, 최소 8V 정도 돼야 작동하였습니다.

- 실제 연결

4. 소스 확인
간단하게 아두이노 나노의 D4번 핀을 HIGH, LOW로 전환시켜 작동을 확인합니다.
void setup() {
// initialize digital output pin for SOLENOID
pinMode(4, OUTPUT);
}
void loop() {
digitalWrite(4, HIGH); // switch on for SOLENOID
delay(2000); // wait 2sec but recommand less then 1sec.
digitalWrite(4, LOW); // switch off for SOLENOID
delay(2000); // wait 2sec
}
5. 작동하기
- 확인하기 위해서 2초 동작 2초 정지로 하였는데 실제 사용 시에는 1초 이하로 동작시키는 것을 추천드립니다.
- 9V ~ 10V로 인가시 사용 전류는 450mA ~ 550mA 정도였습니다.
감사합니다.
<참고사이트>
1. 솔레노이드
https://ko.wikipedia.org/wiki/%EC%86%94%EB%A0%88%EB%85%B8%EC%9D%B4%EB%93%9C
2. 솔레노이드란?
https://m.blog.naver.com/roboholic84/220460620623
3. 아두이노와 솔레노이드 사용하기
https://m.blog.naver.com/roboholic84/221622361174
4. [OEM] 솔레노이드 액추에이터 6V~24V DS-0630S [SZH-GNP529]
https://www.devicemart.co.kr/goods/view?no=1386473
'Embedded > Arduino' 카테고리의 다른 글
| 아두이노 나노를 이용한 라이다(TFmini Plus LiDAR) 테스트 후기 (2) | 2024.05.18 |
|---|---|
| 아두이노 나노(Arduino Nano)로 EXSEN CO2 Sensor(RX-9) 테스트 (4) | 2024.05.08 |
| 아두이노를 이용한 가스센서 9종 테스트 (Gas Sensor Kit) (0) | 2024.04.25 |
| 아두이노(Arduino) Flex Sensor 2.2 (SEN-10264) 테스트 (2) | 2024.04.20 |
| Arduino Nano IoT 33 Bootloader blocked 된 경우 MKR ZERO로 살리기(실패) (0) | 2024.04.13 |